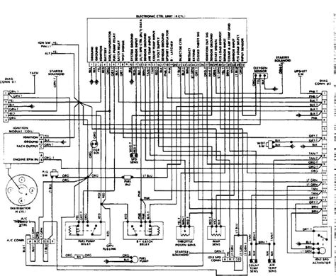
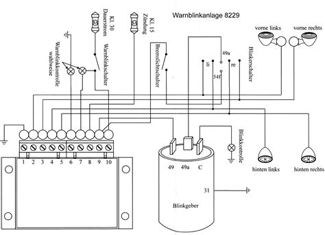
1997 Nissan Maxima Wiring Diagram: Solve Electrical Problems! 1997 nissan maxima wiring diagram